Horizontal or Vertical Design of Pig Trap Systems to perform either regular cleaning or inline inspection.
Design of Fuel Gas Systems to client’s specifications, to meet the desired requirements of gas, for turbines, engines, burners or compressors.
Design of Test and Measurement Separators or production Separators, either two or three phase, to measure flow of water, gas and crude oil.
Services
PIPELINE OIL & GAS EQUIPMENT provides the highest-quality research on the design, fabrication, construction, testing, and operation of pressure vessels, piping, valves, instruments, flow meters, skids as important components of every package we integrate.
Fabrication
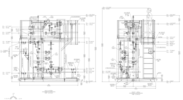
Mechanical design of vessels, nozzles, skid, supports on integrated systems is performed implementing the latest editions of piping codes and standards. Every design is design and proof calculated using the latest software such as Compress for pressure vessels and Staad-pro for structural analysis. click here to read more
Engineering
Mechanical design of vessels, nozzles, skid, supports on integrated systems is performed implementing the latest editions of piping codes and standards. Every design is design and proof calculated using the latest software such as Compress for pressure vessels and Staad-pro for structural analysis. click here to read more
Quality Assurance
PIPELINE OIL & GAS EQUIPMENT offers comprehensive Vendor Quality Assurance, ensuring that the quality level of material and equipment provided to our customer meets all of the defined requirements. An organized and properly implemented vendor quality assurance program can be cost-effective in assuring that a project will not be delayed or shut down due to deficiencies in the quality of materials or equipment supplied. click here to read more

